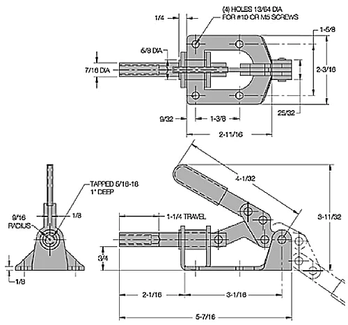
Carr Lane, Horizontal Toggle Clamp, Clamping Force (lbf): 300, Steel, Tapped Plunger, M8, Flanged Base
Carr Lane, Horizontal Toggle Clamp, Clamping Force (lbf): 300, Steel, Tapped Plunger, M8, Flanged Base
SKU: CLM-150-SPC
Brand: Carr Lane
Horizontal Toggle Clamp
$28.02
Additional Information
- Clamping Force (lbf): 300
- Style: Steel
- Plunger Type: Tapped Plunger
- Tapped Hole in Plunger: M8
- Base Type: Flanged Base
- Material: 1215, 1008, 1010, and/or 1018 Steel (Clamp Body)
- Finish: Zinc plated clear chromate
Medium-size plunger clamp. Locks in extended or retracted position. 1-1/4" plunger travel. Plunger is tapped to accept any 5/16-18 spindle (M8 in metric). 300 lbs holding capacity.
What our customer say