Carr Lane Diamond Locating Pin, Lockscrew Type, 3/4 Inch Head Diameter, 1 Inch Shank Diameter

SKU: CL-7480-DLT
Brand: Carr Lane

Diamond Locating Pin (Lockscrew Type)

$37.33

Additional Information

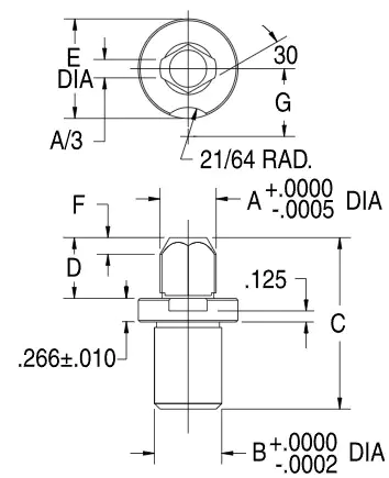
  • B SHANK DIA (inch): 1
  • A HEAD DIA NOMINAL (inch): 3/4
  • A HEAD DIA ACTUAL (inch): .7480
  • C (inch): 2-5/8
  • D (inch): 1
  • E DIA (inch): 1-1/2
  • F (inch): 9/32
  • G (inch): 61/64
  • Material: 1144 Steel
  • Heat Treated Rc 50-55
  • Finish: Black Oxide
  • DFARS Compliant
  • RoHS Compliant
  • A series of locating pins can take the place of a locating plug. The pins are positioned at three points, 120 degrees apart, around the internal diameter of the hole. This arrangement is usually much more economical than making a custom plug.
  • Foolproofing prevents improper loading of a workpiece. The problem is most prevalent with parts that are symmetrical or located concentrically. The simplest way to foolproof a workholder is to position one or two pins in a location that ensures correct orientation.
These precision locating pins are especially useful for workpiece location because of the wide selection of head diameters available to fit machined holes in the part. One Round Locating Pin and one Diamond Locating Pin are often used together to locate from two holes without binding, because the Diamond Locating Pin is relieved to locate in only 1 axis. The type shown here, with a slip-fit shank and lockscrew slot, is designed for renewable installation. Head and shank diameters are concentric to within .0005" TIR. Made in USA. Round & Diamond Locating Pins are available in four standard shank diameters, each with a range of standard head diameters in 1/32" increments (2mm increments in metric), each available in either standard or undersize fit. In addition to standard diameters, these pins are also quickly made to order in any special head diameter from .1150" to 1.0400" in .0001" increments. The Part Configurator link at the top of this page can be used for Diamond Locating Pins with a special head diameter.

What our customer say

Testimonials

get in touch

Discover More With All Industry Supplies

Contact Us