Carr Lane, Air-Powered Toggle Clamp, Holding Capacity (lbf): 1000, Open Arm

SKU: CL-2000-PTC
Brand: Carr Lane

Air-Powered Toggle Clamp

$335.64

Additional Information

  • Holding Capacity (lbf): 1000
  • Style: Open Arm
  • Material: 1008, 1010, and/or 1018 Steel (Clamp Body)
  • Finish: Zinc plated clear chromate
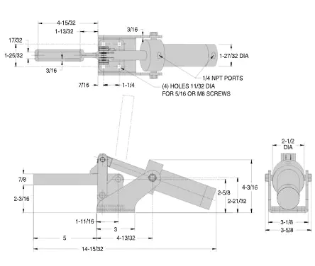
    Open-arm version accepts any 1/2-13 or M12 spindle and (2) CL-1213-TW flanged washers. Solid-arm version accepts any 1/2-13 spindle and CL-113000-BR bolt retainer. Order all accessories separately.

Powerful, larger-size air clamp. Similar to a wide-opening vertical-handle toggle clamp, except operated by an air cylinder instead of by hand. Toggle linkage provides high holding capacity and insures positive mechanical locking even if air pressure fails. Clamping arm opens 83?. Choose either an open arm for adjustable spindle location, or a solid arm for fixed spindle location. 1000 lbs holding capacity. This clamp is operated by a 1-3/4"-bore double-acting air cylinder, with Buna-N seals for -20? to +200?F operating temperature. Two 1/4-NPT ports. 100-psi maximum input air pressure exerts 680 lbs maximum clamping force at center of arm.

What our customer say

Testimonials

get in touch

Discover More With All Industry Supplies

Contact Us